1、功能說明
1. 系統采用總線制布線,必須增加解碼器,主干線為三芯線,入戶線為兩芯線無極性區分,布線簡單、施工方便;
2. 系統使用解碼器,分機無須編碼,各分機在系統中互相獨立,互不干擾,保密性好;
3. 系統支持多種編碼方式,客戶可根據實際情況設置樓層房號;
4. 本系統最大容量為496戶,帶有一戶一獨立密碼開鎖功能;
5. 主機呼叫分機,振鈴45秒,無人接聽系統自動掛斷;
6. 系統通話時間為60秒,60秒后系統自動切斷;
7. 兼容各種電鎖(電磁鎖或電插鎖需配專用電源)。
注: 通話完畢后要把分機手柄掛牢固,否則影響下次呼叫
2、系統使用說明
2.1. 呼叫及開鎖:
直按式N+1系統呼叫說明:主機面板每戶一個按鍵,和房間號相互對應,當來訪者呼叫住戶時,只需要按對應房號的按鍵,對應分機即發出音樂鈴聲,以提示用戶有訪客到,用戶摘機后和訪客雙向通話,住戶確認訪客身份后,可按下開鎖鍵控制樓下門鎖打開。
數碼式N+1系統呼叫說明:主機面板有0- 9的數字按鍵,來訪者輸入三位或四位的房號(例如0203,按順序按健盤的0,2,0,3按鍵即可,按2、0. 3也可以呼叫),如按錯,可按“*”字鍵取消,重新輸入正確的房號,呼叫成功時對應分機會發出音樂鈴聲,以提示用戶有訪客到。用戶摘機即可與訪客互相通話,住戶確認訪客身份后,可按開鎖鍵,遙控開戶樓下大門電鎖。
2.2、密碼開鎖:
開鎖密碼為4位房號+4位密碼,不足4位的房號在前面加0。例如用戶的分機號為203,該分機設置的密碼為8888時,那開鎖密碼為02038888,那么在主機上輸入#02038888時,鎖會打開,密碼錯誤會自動退出。
3、系統指令表說明
|
指令表
|
功能說明
|
|
#00002003
|
00
|
用戶使用自定義編碼功能
|
|
02
|
一層2戶設置,2層共用一個解碼器0101、0102、0202
|
|
42
|
一層2戶跳過104、204、304、404、504、604等房號設置
|
|
04
|
一層4戶跳過104、204、304、404、504、604等房號設置
|
|
16
|
一層16戶設置,4個解碼器共16戶,出廠默認值是16
|
|
#00002004
|
0000
|
刪除所有自編碼,長響一聲表示
|
|
0001至3116
|
顯示INPU輸入要自編號的解碼器編碼,參看1層4-16戶的編碼
|
|
0001至9999
|
輸入解碼器編碼后直接輸入期望使用的自編碼,輸完顯示INPU
|
|
#XXXX XXXX
|
升級密碼
|
輸入4位分機號+4位密碼,長響表示正確,三聲短密碼錯誤
|
4、房號設置說明:
要設置房號,首先要了解房號的組成,房號是由樓層號及房間號組成,例如0308,代表第三層樓層的08號房間的房號,如下圖所示:
該系統的房號的設置與解碼器地址碼是息息相關的,在編房號之前,要了解樓層的分布情況及解碼器的用法。例如1層4戶,一層配一個解碼器;又或者是一層10戶,一層配3個解碼器;又或者是一層2戶,兩層配一個解碼器;再或者是一些不規格的樓層,多層共用一個解碼器等。
樓層和戶數符合標準,可直接通過設置解碼器地址碼跳針(1. 2.3.4、5. 6. 7插針)來設置房號,解碼器板子如下圖所示:
4.1. 一層配一個解碼器或配多個解碼器的編法:
一層配一個解碼器或配多個解碼器時,解碼器跳針所代表的含義如下圖所示:
在待機狀態下在主機輸入#0000200316這個指令,主機進入一層1- 16戶標準房號編碼狀態,解碼器樓層號編碼表,如下表1所示:
注:該表是樓層號的設置,打“★”表示該跳針短路(短路即是插針帽兩針插上)一層1-16戶房間號編碼表如下表2所示:
例如短路第4針,那么解碼器的四個端口的房號分別是201.202. 203.204;如果短路第5、第4和第7跳針,那么解碼器的四個端口的房號分別是305.306. 307. 308;
4.2、兩層共用一個解碼器的編法:
兩層配一個解碼器時,解碼器跳針所代表的含義如下圖所示:
在待機狀態下在主機輸入#0000200302這個指令,主機進入兩層共用一個解碼器的標準房號編碼狀態,解碼器樓層號編碼表,如下表3所示:
注:該表是樓層號的設置,打“★”表示該跳針短路(短路即是插針帽兩針插上)兩層共用一個解碼器的房間號編碼表如下表4所示:
注1: 該表格的房間號是把樓層固定為1-2層的樓層,如果是其他樓層,,房號中的前兩位樓層號會隨著樓層的變化而變化;
注2: 該種編碼模式,解碼器必須是單數樓層到雙數樓層共用,比如1樓和2樓,3樓和4樓等等這樣的規律。不能是2樓和3樓、4樓和5樓共用,遇到這種情況,得使用第三種編碼模式,即自定義編碼模式,也叫特殊編碼模式。
4.3、特殊房號編碼方法:
當樓層房間號不符合于以前兩種標準房號的編碼,例如安裝的單元樓3層樓或4層樓共用一個解碼器;或者單元樓的樓層超過32層,或者單元樓- -層超過16戶,再或者用戶需要編888.999這樣的特殊房號,那么就得用到特殊房號編碼模式。
在用到特殊房號編碼前,首先得在主機輸入#0000200300這個指令進入特殊房號(也叫自定義房號)編碼模式。
操作流程圖

1. 解碼器設置:按表<1>設置樓層號表<2>設置分機號.
2. 設置特殊房號編碼模式:在主機上按“0000200300”
3. 刪除所以特殊房號的操作: 在主機上按*0000200000”聽到長響的提示音表示刪除成功(如有編錯房號則按上述的方法刪除所以特殊房號重新編房號).
4. 特殊分機房號編碼:在主機按“0000+2004+ 分機原始房號+自定義特殊房號”設置完第一個房號后,主機顯示"INPU”后,進入下一個分機房號編碼。輸入“分機原始房號-自定特殊房號”依次設置即可. 設置完成后在主機“中” 鍵退出,設置完成
5. 例: 分機原始房號為*0101”需編*1188”分機號:在主機按“#00002004+0101+1188”依次設置,設置完成按“*”鍵退出,設置完成。
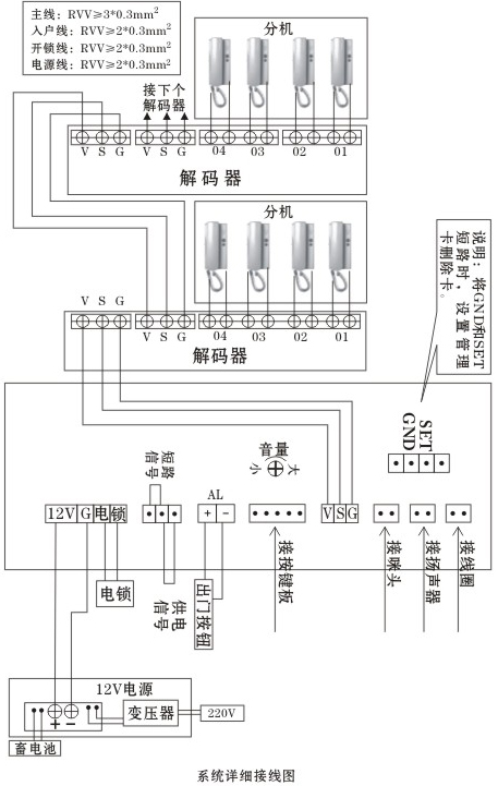
6. 系統接線圖
注:目標板即是空白的沒有卡數據的主機板,如果有數據在復制中會自動清除數據。
這個功能也可以用于更換主機板時把卡數據復制到新的主機板上,但是要注意是短路目標板復制數據,否則會清除原來有卡數據的主機板。
7、主機調試
7.1 音量調節方法:
安裝施工調試時,安裝工作人員可以根據現場環境的需要進行一些調整,比如,通話聲音過大或過小,可以稍微調整“咪頭音量”的電位器(如圖10所示),一般不用調整。設備受施工場所、環境、線材質量等因素的影響,主機或分機可能會出現嘯叫聲。如果出現此類情況,安裝工作人可以通過調整“咪頭音量”和“喇叭音量”的電位器(如圖10所示)。電位器的調整方法:逆時針旋轉半圈至一圈慢慢調小,直至嘯叫聲消失,主機和分機都能聽到最大最清晰最洪亮的對話即調試完畢。
注:電位器在出廠前已做嚴格的精密測試和調整,現場施工表明在95%以上的工程施工過程中,電位器均不需要作任何調整。
7.2 接手提分機還是免提分機的設置方法:
方法1:數碼主機直接按#00005737進行手提或免提分機轉換,響3聲為轉換到手提分機模式,響8聲為免提分機模式。
方法2:直按式主機在斷電的模式下短接主板上的"CS"和"G"插針(如圖10所示),重新通電,響3聲為轉換到手提分機模式,響8聲為免提分機模式。(該方法也適用于數碼主機)
注1:主機選擇了手提分機模式或免提分機模式,主板上的"免提手提"插針帽也要對應短接相應的插針(默認是插"手提模式",如圖10所示)
注2:主機要么全接手提分機,要么全接免提分機,不能部分接手提分機,部分接免提分機.
7.3 開鎖信號設置方法:
主機主板上的"K1-K4"插針(如圖10所示)是設置開鎖信號的,出廠時主機默認是接普通電鎖的(默認是短接K1,如圖11所示),如果使用磁力鎖或電插鎖,那么把插針帽換插到"K2"和"K3"插針的位置(即短接"K2"和"K3"插針,如圖12所示),如果需要輸出低電平信號,那么短接"K4"插針即可.
注:普通電鎖包括靜音鎖和電機鎖/靈動鎖等。
二、主機調試
1. 安裝施工調試時,安裝工作人員可以根據現場環境的需要進行一些調整,比如:通話聲音過大或過小,可以微微調整電位器(如下圖所示),一般不用調整。
2. 由于受施工場所、環境、線材的不同,主機或分機可能會出現嘯叫聲。如果出現此類情況,安裝工作人員可以調整電位器,調整方法: 逆時針旋轉半圈至一圈慢慢調小,直至嘯叫聲消失,主機和分機都能聽到最大最清晰最洪亮的對話即調試完畢。
3. 電位器在出廠前已做嚴格的精密測試和調整,所以現場施工表明在95%以上的工程施工過程中,電位器均不需要作任何調整。
4. 如果是高層,遇到供電電壓不足,那么就把供電電壓的插針帽換到12V那位置,如下圖所示;
5. 開鎖模式默認是普通電控鎖的,如果使用磁力鎖或電插鎖,那么把插針帽換到K1位置,如下圖所示
三、開鎖密碼設置說明
在數碼主機上呼叫自家分機號,分機響鈴后摘機,長按分機的“開鎖”鍵4秒鐘后主機數碼管出現“PASS"字幕后松手,在主機上輸出4位數的密碼,主機自動保存密碼,要更換密碼的話,重新設置一個新密碼即可。
四、門禁設置說明(一體化)
管理卡:用于注冊開門卡的功能卡(出廠時已設置好)
刪除卡:用于刪除開門卡的功能卡(出廠時已設置好)
1、設置管理卡: 設備斷電時短路“GND”和“SET”管理卡”跳針,然后上電。刷待注冊的【管理卡】,再刷待注冊的【刪除卡】,兩張卡片刷完后斷電去拔除短路帽再上電,完成設置工作。
2、注冊開門卡: 先刷【管理卡】,然后依次刷【開門卡】,最后刷【管理卡】保存。
3、刪除某一張開門卡: 先刷【刪除卡】,然后依次刷【開門卡】。
4、清除所有的開門卡: 將【刪除卡】持續讀卡10秒,蜂鳴器連續響聲之后開始清除所有的開門卡。
5、數碼主機進入增加卡模式“#2013 2003”數碼管上顯示“CArd"然后開始刷用戶卡,刷完后按“*”退出。
6、數碼主機進入刪除卡模式“#20132004"數碼管上顯示“CArd"然后開始刷用戶卡,刷完后按“*”退出。
7、 數據復制: 斷電,撥掉主機按鍵板,用5P對插線插在按健板插座上,把2個主機板連接在起,如下圖所示。在目標板主板上供電,供電后在目標板上短路一下“GND和SET”跳針,聽到繼電器振動約10秒后停止數據即復制成功,這時2個主機板的卡數據相同,在多門口要求卡相同可以快速復制而不用每臺主機都用管理卡增加。
五、常見故障及處理方法
|
數碼管顯示
|
功能說明
|
|
0001—3116
|
用戶的房號范圍,超出可能引起未知錯誤
|
|
59—00
|
通話時顯示的倒計時
|
|
PASS
|
在待機狀態下按#鍵后顯的密碼輸入窗口,密碼共8位,0000開始是系統指令
|
|
Err0
|
偵測到主機至解碼板之間V 線有短路,系統自動禁用,故障解除后自動恢復
|
|
Err1
|
用戶使用自編碼,但用戶輸入的自編碼無效或錯誤
|
|
Err2
|
房號輸入范圍正常,可能是沒有解碼器或分機,請檢查分機或解碼 器
|
|
Err3
|
呼叫已發出,但是用戶分機沒有掛好,原因請用戶自查
|
|
Err4
|
呼叫已發出,解碼板到分機之間S線有短路或開鎖鍵未彈起,系統保護中
|
|
Err5
|
呼叫未發出,主機至解碼板之間S線有短路,系統保護中
|
|
INPU
|
等待輸入解碼器編碼,該編碼對應一個用戶自訂義分機號
|
|
End
|
操作完成或退出
|